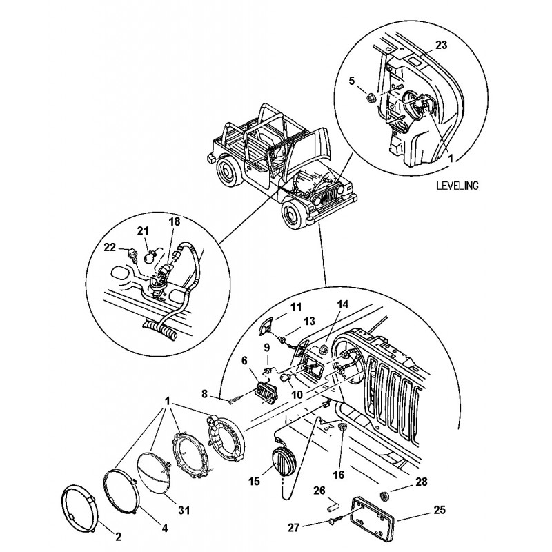
Phare Europe, TJ,
TJ 1997-2006 convient pour modeles avec ou sans reglage de hauteur. Homologue France, Modele avec veilleuse / Dimensions 178 mm de diamEtre Hella - Fabriques en Allemagne
Vous gagnez avec ce produit des points4loyalty points.Your cart will total4pointsthat can be converted into a voucher of0,80 €.




































